Ako trebate bilo kakvu pomoć, slobodno nas kontaktirajte
Jezik
Ako trebate bilo kakvu pomoć, slobodno nas kontaktirajte
Tvrda rotacijska datoteka, poznata i kao glava za brušenje čeličnih volfram, poznata i kao tvrda legura mješovita mješovita rezača, tvrdog legura za mljevenje kalupa itd. Rotacijske datoteke s tvrdim legurama mogu rezati i obraditi razne metalne i nemetalne materijale ispod HRC70 po volji, s visokom učinkovitošću obrade i dobre kvalitete površine. Oni su alat za rezanje rotacijskim rezanjem uglavnom se koriste za precizno obradu, poliranje, objedinjavanje itd. Koriste se u industrijama poput strojeva, automobila, brodogradnje, kemijske, stomatološke i umjetnosti noktiju. $s
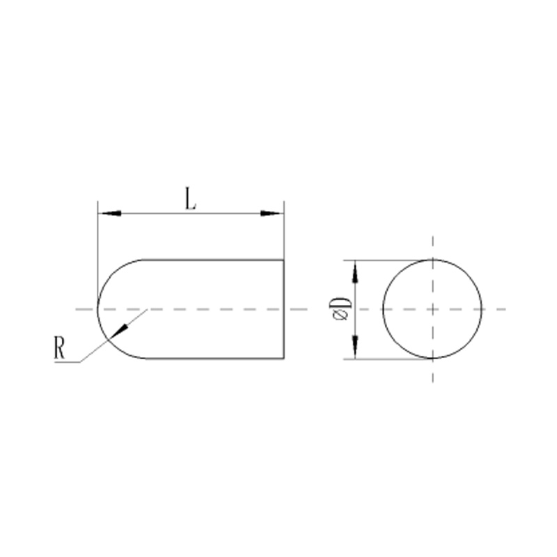
| Mm | |||
| Specifikacija | Osnovna dimenzija | ||
| φd | L | R | |
| C0413 | 4.5 | 13.3 | 2.25 |
| C0616 | 6.5 | 16.3 | 3.25 |
| C0618 | 6.5 | 18.3 | 3.25 |
| C0818 | 8.5 | 18.3 | 4.25 |
| C0820 | 8.5 | 20.3 | 4.25 |
| C1020 | 10.5 | 20.3 | 5.25 |
| C1125 | 11.5 | 25.3 | 5.75 |
| C1225 | 12.5 | 25.3 | 6.25 |
| C1325 | 13.5 | 25.3 | 6.75 |
| C1625 | 16.5 | 25.3 | 8.25 |
| C2025 | 20.5 | 25.3 | 10.25 |
| Centimetar | |||||
| Specifikacija | φd | L | R | ||
| Model | Dimenzija | Model | Dimenzija | ||
| BSC-51S | 1/4 | 0.265 | 3/16 | 0.19 | 0.133 |
| BSC-51 | 1/4 | 0.265 | 1/2 | 0.50 | 0.133 |
| BSC-2 | 5/16 | 0.327 | 3/4 | 0.75 | 0.164 |
| BSC-3 | 3/8 | 0.390 | 3/4 | 0.75 | 0.195 |
| BSC-4 | 7/16 | 0.453 | 1 | 1.00 | 0.227 |
| BSC-5 | 1/2 | 0.515 | 1 | 1.00 | 0.258 |
| BSC-6 | 5/8 | 0.640 | 1 | 1.00 | 0.320 |
| BSC-15 | 3/4 | 0.767 | 1/2 | 0.50 | 0.384 |
| BSC-16 | 3/4 | 0.767 | 1/2 | 0.75 | 0.384 |
| BSC-72 | 3/4 | 0.767 | 3/4 | 0.75 | 0.384 |
| BSC-7 | 3/4 | 0.767 | 1 | 1.00 | 0.384 |
| BSC-8 | 7/8 | 0.892 | 1 | 1.00 | 0.446 |
| BSC-9 | 1 | 1.019 | 1 | 1.00 | 0.510 |
| Klasifikacija | Razred | Siječnja cijene | Siječnja cijene | Veličina zrna (hm) | Kobalt Sadržaj (Co%) | Tvrdoća (HRA) | Gustoća (g/cm 3 ) | TRS (N/mm 2 ) | Preporučena prijava |
| Ultrafin | Yg6ax | ¥ 367.00 | 58,25 USD | 0.6 | 6 | 93.2 | 14.8 | 2800 | Primjenjiv na završnu obradu i poluskrivanje svih vrsta od lijevanog željeza i metala, to je odličan materijal za proizvodnju čvrstih alata za obradu rupa od karbida. |
| Submikron | Hu20e | ¥ 362.00 | 57,46 USD | 0.7 | 10 | 91.8 | 14.45 | 3700 | Dobra otpornost na habanje i velika žilavost, primjenjiva na industrijske burde i zubne burme. |
| Yg6x | ¥ 361.00 | 57,30 USD | 0.8 | 6 | 92 | 14.89 | 3000 | Primjenjivo na obradu legura ohlađenog od lijevanog željeza i čelika otpornih na toplinu. Također primjenjivo na obradu uobičajenih materijala od lijevanog željeza i nemetalnih | |
| Srednji | Yg7 | ¥ 352.00 | 55,87 USD | 1.6 | 7 | 90.1 | 14.81 | 2800 | Primjenjivo na grubu obradu lijevanog željeza, obojene metale i nekvalitetne legure |
| Yg7a | ¥ 361.00 | 57,3 USD | 1.2 | 7 | 91 | 14.85 | 2500 | Primjenjivo na završnu obradu i polu-fining lijevanog željeza, obojene metale i obojene legure. | |
| Hf7z | ¥ 339,00 | 53,81 USD | 1.6 | 7 | 90.5 | 14.83 | 2500 | Primjenjiva temeljita obrada od lijevanog željeza, obojenih metala i legure bez obojenja. Ekonomska ocjena YG7. | |
| HF20Z | ¥ 339,00 | 53,81 USD | 1.6 | 7.5 | 90 | 14.7 | 2500 | Primjenjivo na grubu obradu lijevanog željeza. obojeni metali i obojena legura |
Wenzhou Hongfeng Electrical Alloy Co., Ltd. (hereinafter referred to as “Wenzhou Hongfeng”), founded in September 1997. The main products include electrical contact materials, metal-matrix engineered composite materials, cemented carbide materials, high-performance extremely thin lithium copper foil, and intelligent equipment, providing customers with integrated functional solutions from material research and development to component manufacturing, and Zatim inteligentna proizvodnja. Naši se proizvodi široko primjenjuju u industrijskoj proizvodnji, inteligentnim prometnim sustavima, pametnim domovima, komunikacijskim informacijama, zrakoplovnim, rudarstvom, proizvodnjom strojeva, medicinskim i drugim poljima. Iz citata do isporuke, pružamo jednokratnu službu za korisnike, brzo reagiramo na potrebe kupca, učinkovito rješavati probleme i potpunu isporuku; Osim toga, možemo pružiti i profesionalni dizajn materijala, optimizaciju procesa, testiranje pripreme uzoraka, opskrbu masovnom proizvodnjom i tehničku podršku putem usluga kao što su profesionalni dizajn materijala, optimizacija procesa i tehnička podrška. Udovoljite potrebe kupaca za materijale s legurom visokih performansi.
Dizajn i razvoj novih legura funkcionalnih kompozitnih materijala može se provesti u skladu s potrebama kupca i zahtjevima za primjenu.
Proces proizvodnje novih legura funkcionalnih kompozitnih materijala može se optimizirati za kupce.
Kupcima možemo pružiti usluge pripreme i testiranja uzoraka za nove legure funkcionalne kompozitne materijale.
Jednom kada se novi funkcionalni kompozitni materijali masovno proizvode i pružaju stabilnu i pouzdanu opskrbu.
Hongfeng također može pružiti relevantne tehničke podrške i savjetovanja kupcima.
Izvedba ploče volfram karbida na snažno utječe postupak sinteriranja koji se koristi tijek...
Uvod Volfram -karbidne šipke i šipke široko se koriste u industrijama koje zahtije...
Uvod Ploče volfram karbida su konstruirane komponente izrađene od kompozitnog materijala...
Volfram karbidni burri su rotacijski alati za rezanje koji se koriste u širokom rasponu industrij...
U proizvodnom svijetu, kontrola kvalitete Hladna glava umre A pričvršćivači koje proizvode...



















.jpg)